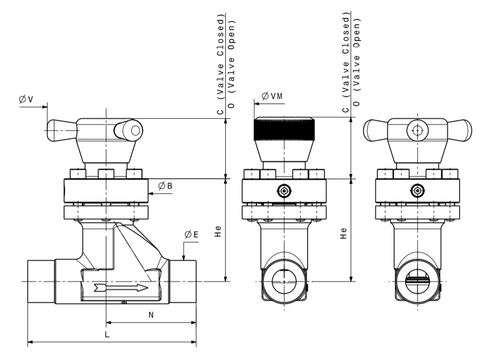
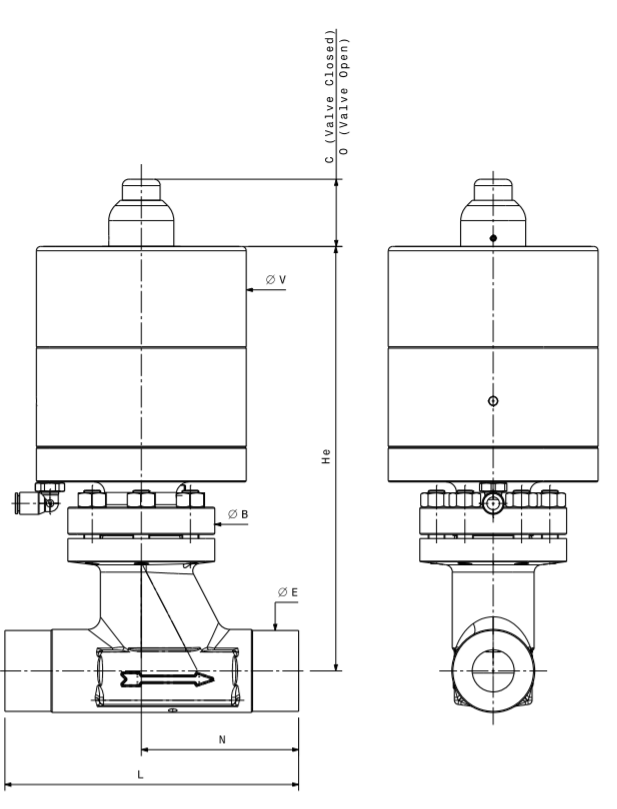
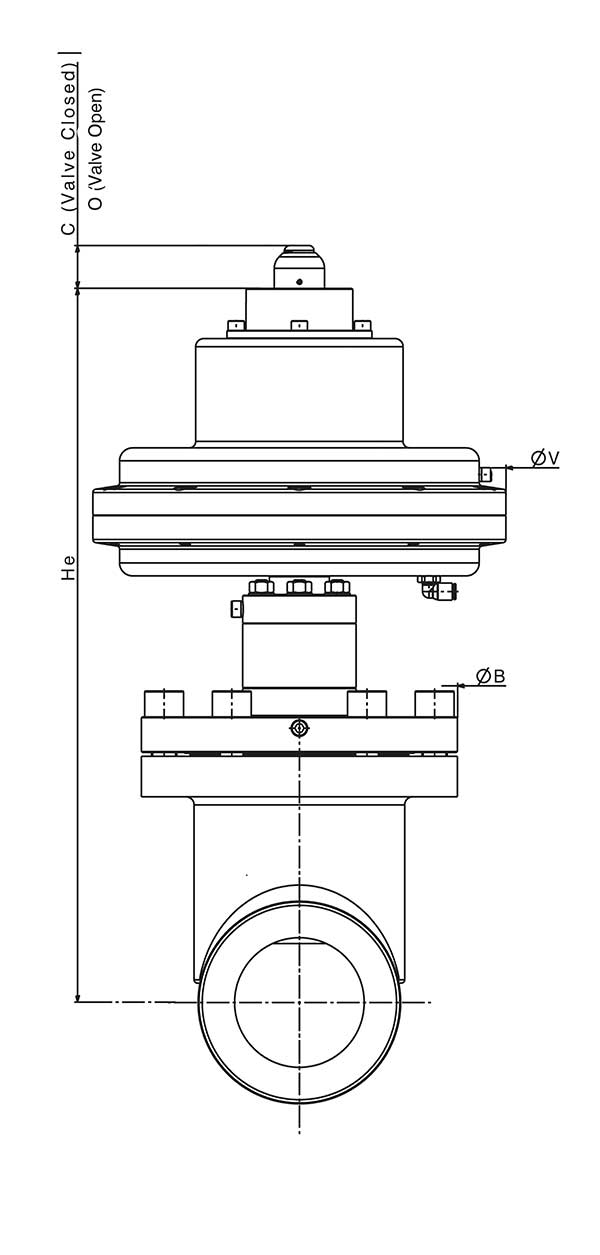
Size | Pressure-range (1) | Actuation | Body material | Seat material | End-connection (2) | Surface finish | Options (3) | |
K3 | 08 | LP | MI | I | /K | BWO | - | - |
(1) High-pressure version available for K312 and K320
(2) Size to be defined by customer and ROTAREX
(3) Combinable
(4) Only for K308 and K312
(2) Size to be defined by customer and ROTAREX
(3) Combinable
(4) Only for K308 and K312



_it3mul_EEGvS5.jpg)












