Body material | Outlet Pressure | End connections | O-ring material (relief valve) | Gauges | Outlet valve | Configuration |
CMI | 10 | G | EPDM - standard | 1 | NV | A |
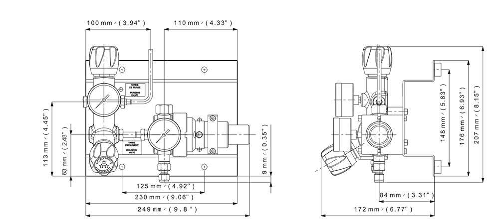
Diaphragm single stage supply board - CM104
The CMI High Purity is a supply board to use in combination with a switchover board for the regulation of the emergency source during maintenance on the principal source. This avoids installing some extension and reduces the amount of leaking points. It is particularly suited for pure and corrosive gases for high purity applications.
Key advantages
- Possible to connect 2 gas cylinders and a gas for purging operation
- Ready to install for better productivity: all components are pre-mounted on the mounting panel
- Can be equipped with a collection tube on the relief valve and purge outlet, also with an outlet shut-off valve
- The CM104 can be connected to an alarm box using contact gauges
- Only available in stainless steel
FLOW CURVES
Specifications
| Female ports | G 3/8 (inlet/outlet) or 1/4 NPT (inlet/outlet) |
| Seat seal | PCTFE |
| O-ring (relief valve) | EPDM - standard FPM |
| Diaphragm | AISI 304 Hastelloy® (50 bar) |
| Weight | ± 4,5 kg |
| Temperature range | -20 to +60 °c |
| Gauges | High and low pressure (M10 x 1 or 1/8 NPT) |
| Inlet pressure | 200 bar (2900 psig) NH3 : 8 bar (116 psig) |
| Outlet Pressure | 10/25/50 bar 145/363/725 psig NH3 : 3 bar (43.5 psig) |
| Oxygen use | No |
| helium leak rate at max pressure | 10-8 mbar ℓ/s He |
| Nominal flow | 10/10/50 Nm3 /h (N2 ) NH3 : 5 Nm3 /h (NH3 ) |
Product Configurator
Downloadable catalogs, brochures
Connect with an Expert











