High Pressure line valve for UHP gases with pneumatic actuator – D688
The tied diaphragm valve, D688, is a high-pressure inline valve designed for ultra-high-purity gas distribution systems. Equipped with a pneumatic actuator, it ensures exceptional tightness, guaranteeing optimal performance and safety.
Key advantages
- Combined soft and metal seat design with low permeation rate.
- Welded diaphragms provide a high leak tightness integrity
- Tied diaphragm design which minimizes gas wetted volume to allow easy purging.
- No moving components in the gas wetted area to not generate particles.
- Secondary sealing to prevent the gas coming in contact with actuator in the case of diaphragm failure.
- Threaded weep hole for leak test and pipe away connection (M4 thread), allows the connection to a leak detector.
- Front and back panel valve fixation
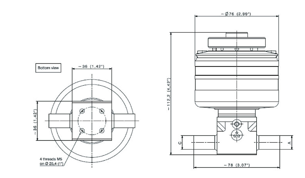
Specifications
| Connections | According (inter-)national standards, customer’s specifications |
| Working pressure | 200 bar |
| Nominal flow rate | CV = 0.25 |
| Temperature range | -40 to +65°C |
| Body materials | Stainless steel 1.4435 (AISI 316L) |
| Seat orifice size | 4 Mm |
| Marking | π0029 (according to TPED), 3 stars, valve number, manufacturing date, Nominal pressure and flow direction |
| Leak rate | 1.10-8 m bar L/s |
Downloadable catalogs, brochures
Connect with an Expert












