Body material | Outlet Pressure | End connections | O-ring material | Gauges | Handwheel | ||
D | L | 230 | 1 | 16 | EPDM | 1 | H |
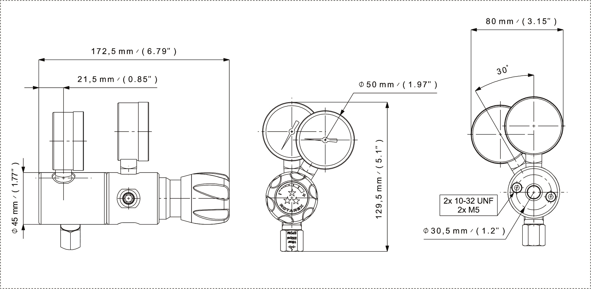
Piston/Bellow dual stage high pressure regulator - D230
D230 high pressure cylinder regulator is designed for pure, inert and midly corrosive gas applications requiring a very stable outlet pressure together with a very sensitive set up of this outlet pressure. A cylinder connector is necessary to connect it to the cylinder valve.
Key advantages
- Based on the proven S 20 bellows technology
- Exceptionally accurate pressure control and stable outlet pressure due to the combination of piston and bellow technology
- Compact, Ergonomic and lightweight
- Fixed outlet pressure version available
FLOW CURVES
Specifications
| Female ports | 16 x 1.336 (inlet) - G3/8 (outlet) or 1/4 NPT (inlet/outlet) |
| Seat seal | PTFE |
| O-ring | EPDM |
| Piston | Brass (brass version) / AISI 316L (SS version) |
| Below | Bronze or AISI 316L (SS version) |
| Weight | +/- 1,6 kg |
| Leak rate | 10-8 M bar l/s |
| Gauges | High and low pressure (M10 x 1 or 1/4 NPT) |
| Nominal flow | 2/2,5/3,5 Nm3/h (n2) |
| Oxygen use | Brass only |
| Temperature range | -20°C to +60°C -4°F to +140°F |
| Inlet pressure | 200 bar 2900 psi |
| Outlet Pressure | 1/3/10 bar 14.5/44/145 psi |
Product Configurator
Connect with an Expert









