Body material | Outlet Pressure | Inlet connection | Outlet connection | Flow selector | O-ring material | Gauge | ||
S | L | 75 | 3.5 | N | HB | B03 | FPM | 2 |
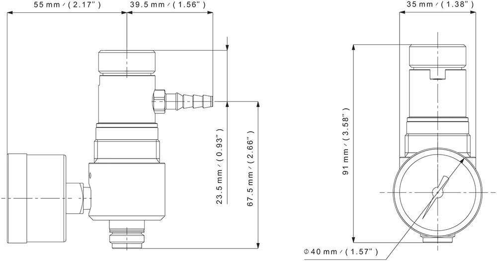
Piston constant flow regulator equipped with 10 positions flow selector - S75
S75 constant flow regulator is designed for calibration applications where predetermined pressure and adjustable flow are required, and for portable cylinder use.
Key advantages
- Piston technology allows a very stable flow outlet
- Equipped with a flow selector (10 positions) with 3 different maximum outlet flows (3/5/15 lpm)
- Compact, light weight design, ideal for portability
- 1 inlet / 1 outlet piston regulator
- Integrated relief valve
Specifications
| Female ports | Inlet: C 10 or 1/4 NPT Outlet: Hose barb or DR 6 or 1/4” tube fitting |
| Seat seal | PCTFE |
| O-ring | FPM |
| Piston | Brass (brass version) / AISI 316L (SS version) |
| Weight | ± 0,70 kg |
| Gauges | High pressure (1/8 NPT) |
| Inlet pressure | 200 bar 2900 psi |
| Outlet Pressure | 3,5 bar 50 psi |
| Nominal flow | Preset from 0,3 to 15 lpm |
| Oxygen use | Brass only |
| Leak rate | 10-4 M bar l/s |
| Temperature range | -20°C to +60°C -4°F to +140°F |
Product Configurator
Connect with an Expert







