Working pressure | Safety | Safety set up | Body material | Actuation | Inlet | Outlet | Dip tube | Gas | |
C2 | 0 | 0 | 0 | L | A | 25E | 44 | 0 | IM |
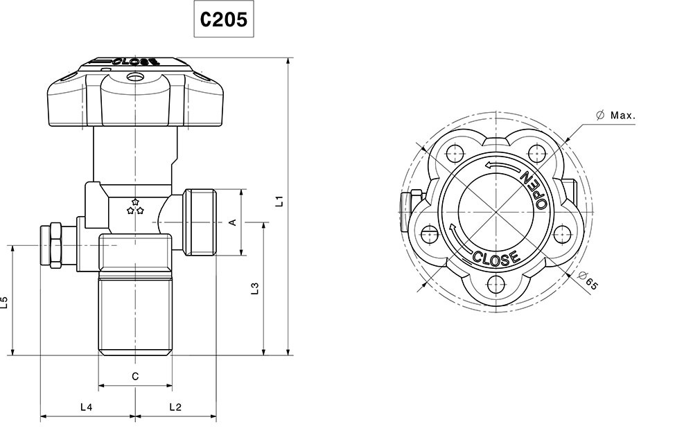
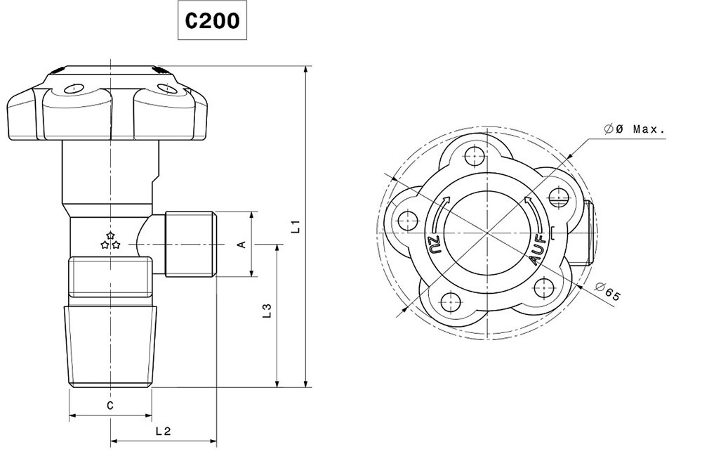
Standard valves - C200/C205/C210/C215
The C200 series are standard valves for industrial and medical applications for different inert, inert mixtures and flammable gas service.
Key advantages
- High pressure brass cylinder valve for Inert, Inert mixtures and flammable gas service
- Permanent gas tight seal
- π marking according TPED directive
- Tested according EN ISO 10297 and CGA V9 standards
- Compatible with medical oxygen
Specifications
| Gas type | Inert |
| Seat orifice size | 4 Mm |
| Cv | 0,3 |
| Temperature range | -20 to +65 °c |
| Working pressure pmax. | 300 bar |
| Helium leak rate at pmax. | Internal 10-3 mbarl/sec External 10-3 mbarl/sec |
| Material | Handwheel: aluminium Seat: PA 6.6 O-rings: EPDM NBR Body: brass |
| Safety | C200 / C210: No C205 / C215: Yes |
| In- and outlet connections | In accordance with all country standards |
Product Configurator
Connect with an Expert















