Column 2 | Regulator type | Outlet Pressure | Seat material | Cv value | Body material | Surface finish | Porting configuration | Connections | Actuator | Inlet pressure | Options |
RX | 41 | 01 | K | 050 | S | S | 2W1 | 4F | M | 021 | H |
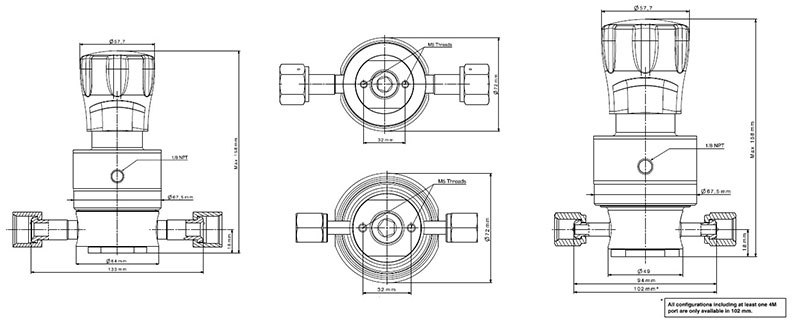
* Includes Hastelloy C22 Poppet, wetted spring & diaphragm
** Standard gauge ports are Metal Face Seal ¼\" Male
** Standard gauge ports are Metal Face Seal ¼\" Male










