product | Number of cylinder | Extension side | O-ring material | End connections | Plate | |
EXTENSION | MOD | 2C | L | EPDM | G | P |
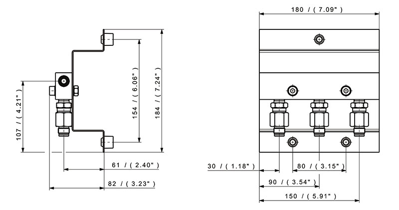
TD & CM / CEN & MOD extensions
Left or right, 2 or 3 cylinder extensions for supply board (CM or MOD series) and switchover board (TD or CEN series). Each extension is mounted on a omega plate.
Key advantages
- Improves productivity by reducing the frequency of cylinder service
- Integrated design reduces potential leak points
- Left or right side configurations
- Standard inlet: G 3/8 - Male / Standard outlet: G 3/8 - Female
- Flexible hose for connection with cylinders
- 2 or 3 cylinder versions
Specifications
| Material | Raw brass (CEN & MOD) or Stainless steel (TD & CM) |
| Gasket | PA 6.6 (CEN & MOD versions) |
| O-ring | EPDM - standard FPM |
| Plate | Option (CEN & MOD versions) Standard (TD & CM versions) |
| Temperature range | -20 to +60 °c |
| Inlet pressure max. | 300 bar |
| Seat orifice size | Ø 4 Mm |
| Connections | 2 or 3 cylinders |
| Ports (inlet) | G 3/8 - Male |
| Ports (outlet) | G 3/8 - Female |
| Shut-off valves | Option |
| Oxygen use | OK |
| Leak rate | 10-8 mbar ℓ/s He |
Product Configurator
Downloadable catalogs, brochures
Connect with an Expert














