Body material | End connections | Gauges | O-ring materials (relief valve) | Ports configuration | Outlet Pressure |
I | 16 | 1 | FMP | A | 3 |
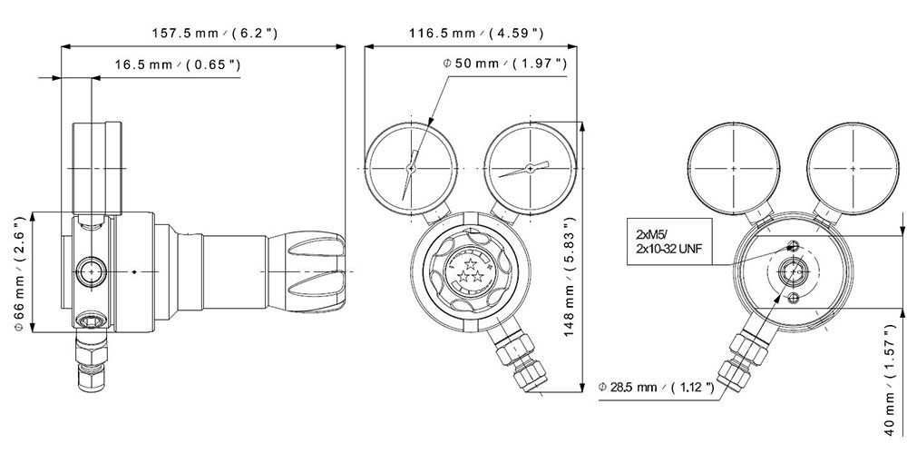
Diaphragm single stage high pressure regulator - S220
S220 high pressure cylinder regulator is designed for corrosive gases and liquid gases. It is particularly suited for ultra-high applications and fundamental research laboratories. A cylinder connector is necessary to connect it to the cylinder valve.
Key advantages
- No Contamination risk due to its threadless and springless design
- Low Dead Volume to guarantee a good regulator purge
- Ergonomic handwheel for exceptional control
- Panel mounting possible due to the rear thread
- Can be equipped with a shut off or needle valve at the outlet
FLOW CURVES
Specifications
| Female ports | 16 x 1.336 (inlet) - G3/8 (outlet) |
| Seat seal | PCTFE |
| O-ring | FPM |
| Diaphragm | Hastelloy® |
| Weight | +/- 2,0 kg |
| Leak rate | 3.10-9 M bar l/s |
| Gauges | High and low pressure (M10 x 1 or 1/4 NPT) |
| Nominal flow | 5/25/50/50 Nm3/h (n2) |
| Oxygen use | OK with inlet pressure ≤ 30 bar max |
| Temperature range | -20°C to +60°C -4°F to +140°F |
| Outlet Pressure | 3/15/25/50 bar 44/218/360/725 psi |
| Inlet pressure | 200 bar 2,900 psi |
Product Configurator
Connect with an Expert













