High Pressure, oleo-pneumatic, UHP cylinder valve - D354
D354 valve with oleo-pneumatic actuator is designed for keeping the highest level of gas purity. No particle are generated thanks to its tight diaphragm technology. Commonly used for ultra-high-purity, corrosive, reactive and toxic gases, its oleo-pneumatic actuator increase the seat closure force.
Key advantages
- Tied diaphragm design with minimal gas wetted volume
- Combined soft and metal seat design with low permeation rate
- Threaded weep hole for pipe away connections
- Strong closing force with the use of a hydraulic amplifier
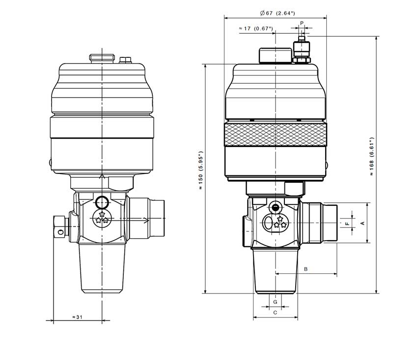
Specifications
| Gas Type | Pure & Ultra-pure |
| Connections | According (inter-)national standards, customeru2019s specifications |
| Flow rate | CV=0.35 |
| Working pressure | 200 bar |
| Body materials | Stainless steel 1.4435 (AISI 316L)/option Hastelloy® 2.4602 (UNS N 06022) |
| Temperature range | -40 to +65 °c |
| Leak rate | 1.10-8 M bar l/s |
| Seat orifice size | 4 Mm |
| Marking | π0029 (according to TPED), valve number, manufacturing date, Connections, seat material, 3 stars |
Downloadable catalogs, brochures
Connect with an Expert
















