High pressure UHP cylinder valve – D304
D304 valve for UHP, corrosive, reactive and toxic gases from Rotarex Puretec is designed for keeping the highest level of purity of the gas. No particles are generated in the gas wetted part thanks to the tied diaphragm technology. It is also available with the new Open/close indicator from Rotarex Puretec
Key advantages
- Tied diaphragm design with minimal gas wetted volume
- Combined soft and metal seat design with low permeation rate
- Positive operation due to mechanical link of the upper and lower spindle
- Patented operating mechanism
- Threaded weep hole for leak test and pipe away connection
- No particle generating threads in the gas wetted part
- Optional pressure relief device (PRD)
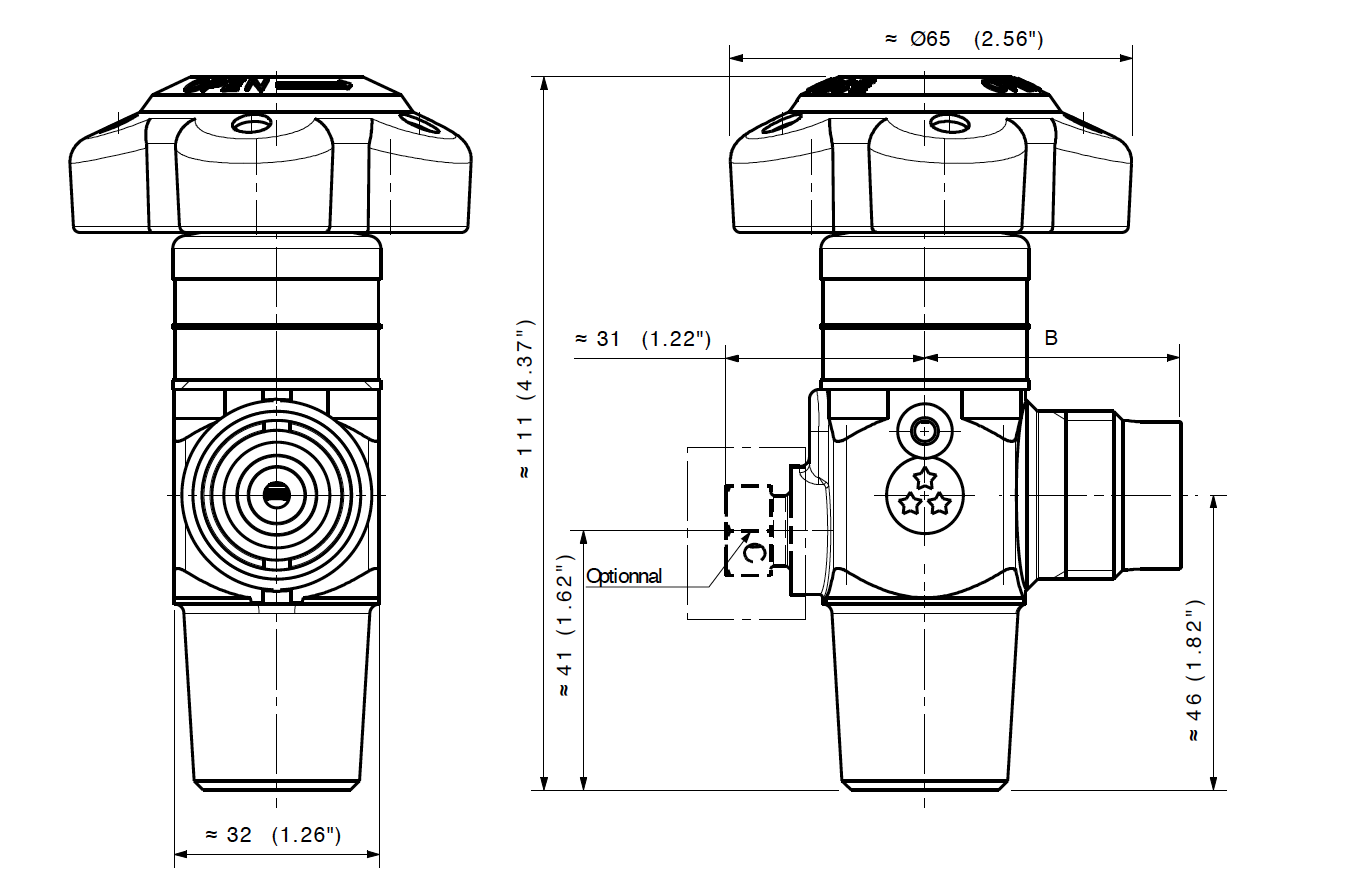
Specifications
| Connections | All standard / Specific on request |
| Working pressure | 200 bar |
| Flow rate | CV=0.35 |
| Temperature range | -40 to +65 °c |
| Body materials | Stainless steel 1.4435 (AISI 316L), Hastelloy® C22, Nickel 200, Monel® 2.4375 (Monel 500 K) |
| Seat orifice size | 4 Mm |
| Marking | π0029 (according to TPED), 3 stars, valve number, manufacturing date |
| Leak rate | 1.10-8 M bar l/s |
Downloadable catalogs, brochures
Connect with an Expert















