High pressure pneumatic UHP cylinder valve - D385S
D385S valve with pneumatic actuator is designed for keeping the highest level of purity of the gas. Its tied diaphragm technology allows to avoid any particle generation. The D385S is used for UHP, corrosive, reactive and toxic gases, common in the electronic and semicondutor industry.
Key advantages
- Reduced dead space and gas wetted volumes allow easy purging
- Prevents seizure - Gas does not come into contact with the valve operating mechanism
- Back-up welded diaphragms provide a permanent and durable gas tight seal
- Burst Disc materials are Nickel, AISI 316L
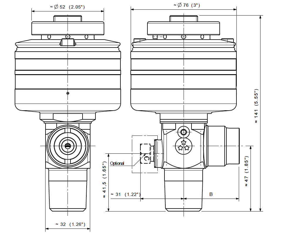
Specifications
| Gas type | Corrosive, reactive and toxic ultra high purity gases |
| Connections | According (inter-)national standards and customer specifications |
| Flow rate | CV=0.35 |
| Working pressure | 200 bar |
| Body materials | Stainless steel 1.4435 (AISI 316L), Hastelloy® C22, Nickel 200, Monel® 2.4375 (Monel 500 K) |
| Temperature range | -40 to +65 °c |
| Leak rate | 1.10-8 M bar l/s |
| Seat Orifice Size | 4 Mm |
| Marking | π0029 (according to TPED), 3 stars, valve number, manufacturing date |
Downloadable catalogs, brochures
Connect with an Expert

















