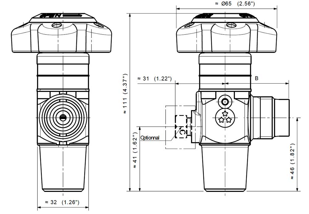
High pressure UHP cylinder valve for highly oxidizing gases – D306
D306 cylinder valve for Ultra High Purity highly oxidizing and reactive gases is designed for keeping the highest level of gas purity, thanks to its tied diaphragm technology. The Rotarex Puretec D306 UHP cylinder valve is also available with the new Open/close indicator.
Key advantages
- Tied diaphragm design with minimal gas wetted volume
- Metal to metal sealing
- Patented operation mechanism
- Threaded weep hole for pipe away connection
Specifications
| Gas Type | UHP highly oxidizing/reactive gases |
| Connections | According (inter-)national standards, customer specifications |
| Working pressure | 150 bar |
| Flow rate | CV=0.28 |
| Temperature range | -40 to +65 °c |
| Body materials | Stainless steel 1.4435 (AISI 316L), Hastelloy® C22 |
| Leak rate | 1.10-8 M bar l/s |
| Seat orifice size | 3.5 Mm |
| Marking | π(according to TPED), 3 stars, valve number, manufacturing date |
Downloadable catalogs, brochures
Connect with an Expert














